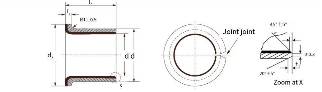
Det självsmörjande lagret med omvänd spol av typ HZ-1/A är konstruerat för att ge exceptionell hållbarhet och drift med lågt underhåll i miljöer med hög stress. Designat för industrimaskiner, bilsystem och tung utrustning, detta lager integrerar en omvänd spolstruktur kombinerat med inbäddade fasta smörjmedel, vilket säkerställer konsekvent prestanda utan extern smörjning.
Viktiga egenskaper hos HZ-1/A inkluderar hög lastkapacitet, korrosionsbeständighet och förlängd livslängd under extrema temperaturer. Dess självsmörjande design minimerar friktion och slitage, vilket minskar stilleståndstider och underhållskostnader. Lagrets kompakta, lätta konstruktion gör det lämpligt för applikationer där utrymme och vikteffektivitet är avgörande.














