HZ-GFM-flänslagret kombinerar radiell belastningskapacitet med axiell inriktningskontroll, tack vare sin integrerade flänsdesign. Tillverkad av värmestabiliserade polymerer, tål den intermittenta stötbelastningar och felinställning i fordonslänkar, HVAC-dämpare eller materialhanteringssystem.
Kärnfunktioner
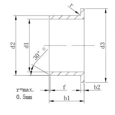
Flänsdesign: Förhindrar axiell drift; förenklar montering i höljen av mjukt material.
Material: Glasfiberförstärkt PA66 eller PEEK för förhöjd temperaturbeständighet (upp till 180°C kortvarigt).
Installation: Kompatibel med presspassningsverktyg (t.ex. PT-1350-serien) för snabb montering.
Applikationer: Pumphus, elektriska ställdonstyrningar och transportrullar som kräver dubbelriktad stabilitet.















